Search for:
Meest gezocht:
Veelgestelde vragen
Keukencollectie
Contact
Menu
Home
Keukencollectie
Design
Greeploos
Landelijk
Modern
Trendy
Alle keukens
Keukenonderdelen
Apparatuur
Werkbladen
Fronten
Blogs & Tips
Over ons
Showroom
Webshop
Afzuigkap
Fornuis
Fornuis met afzuiging
Koel- vrieskast
Koffiezetter
Kookplaat
Kookplaat met afzuiging
Magnetron
Oven
Overig
Steamer
Vaatwasser
Alle producten
Vrijstaand
Inloggen
Downloads
Vacatures
Webshop bestellingen
Je kan tijdelijk geen bestelling plaatsen. Wil je je vast oriënteren? Vergelijk eenvoudig apparaten en merken met elkaar. Klik hier voor meer informatie.
Home
/
Webshop
/
Afzuigkap
/
Miele CSDA7001
Afzuigkap
Miele CSDA7001
Tijdelijk
5%
korting
A++
Levertijd: Momenteel niet beschikbaar
3 snelheden inclusief intensiefstanden
RVS uitwasbare vetfilters
SmartSelect bediening
Maximale afzuigcapaciteit van 460 m³/u
Maximale geluidsniveau van 63 dB
Nalooptijd vijf minuten
€ 1679,00
In winkelwagen
De tijdelijke korting wordt automatisch in de winkelwagen verrekend
Algemene informatie
Werkbladafzuiging
Inbouw (zonder rand)
Vlak zonder randlijst
Soort luchtafvoer: Converteerbaar
Bediening via sensortoetsen: Smart Select
Digitale weergave van de vermogensstanden
Kleur van display: Geel
Nalooptijd vijf minuten
Jaarlijks energieverbruik in kWh/jaar: 25,3
ECO-motor
Eenvoudig te reinigen keramisch glas
CleanCover
Aantal vaatwasserbestendige roestvrijstalen vetfilters: 1
Veiligheidsuitschakeling
FlameGuard (bescherming van de gasvlam)
Afzuigcapaciteit
Afzuigcapaciteit stand 2 (m³/h) naar EN 61591: 290
Geluidsniveau stand 2 (dB(A) re1pW) volgens EN 60704-3: 58
Geluidsdruk stand 1 (dB(A) re20µPa) volgens EN 60704-2-13: 29
Geluidsdruk stand 2 (dB(A) re20µPa) volgens EN 60704-2-13: 43
Geluidsdruk stand 3 (dB(A) re20µPa) volgens EN 60704-2-13: 51
Geluidsdruk Intensiefstand (dB(A) re20µPa) volgens EN 60704-2-13: 55
Afzuigcapaciteit stand 1 (m³/h) naar EN 61591: 100
Afzuigcapaciteit stand 2 (m³/h) naar EN 61591: 235
Afzuigcapaciteit stand 3 (m³/h) naar EN 61591: 380
Afzuigcapaciteit Intensiefstand m³/h) naar EN 61591: 460
Geluidsniveau stand 1 (dB(A) re1pW) volgens EN 60704-3: 49
Geluidsniveau stand 2 (dB(A) re1pW) volgens EN 60704-3: 63
Geluidsniveau stand 3 (dB(A) re1pW) volgens EN 60704-3: 73
Geluidsniveau Intensiefstand (dB(A) re1pW) volgens EN 60704-3: 78
Geluidsdruk stand 1 (dB(A) re20µPa) volgens EN 60704-2-13: 34
Geluidsdruk stand 2 (dB(A) re20µPa) volgens EN 60704-2-13: 49
Geluidsdruk stand 3 (dB(A) re20µPa) volgens EN 60704-2-13: 58
Geluidsdruk Intensiefstand (dB(A) re20µPa) volgens EN 60704-2-13: 63
Technische gegevens
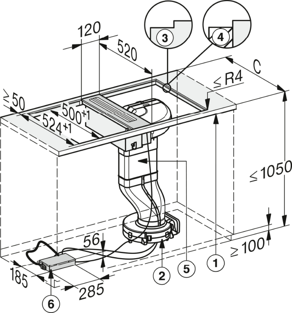
Afmetingen in mm (breedte): 120
Afmetingen in mm (hoogte): 168
Afmetingen in mm (diepte): 520
Inbouwhoogte met aansluitblok in mm: 168
Afmetingen uitsparing in mm (breedte) bij aansluitende inbouw: 100
Afmetingen uitsparing in mm (diepte) bij aansluitende inbouw: 500
Afmetingen uitsparing binnen in mm (breedte) bij inbouw: 100
Afmetingen uitsparing binnen in mm (diepte) bij inbouw: 500
Afmetingen uitsparing buiten in mm (breedte) bij inbouw: 124
Afmetingen uitsparing buiten in mm (diepte) bij inbouw: 524
Gewicht in kg: 11
Aansluitwaarde in kW: 0,17
Spanning in V: 230
Zekering in A: 10
Aantal fasen: 1
Lengte aansluitkabel in m: 2
Sokkelventilator met luchtafvoeraansluiting
Luchtafvoeraansluiting zij- en achterkant
Afmetingen luchtafvoertuit in mm (breedte): 222
Afmetingen luchtafvoertuit in mm (diepte): 89
Toebehoren
Aansluitkabel met stekker
Kanaalsysteem tot sokkelventilator
Technische specificaties
Alternatieve producten
Tijdelijk
5%
korting
Miele DA4298W
4 snelheden inclusief intensiefstand
RVS uitwasbare vetfilters
Tiptoetsbediening met led-verlichting
€ 1829,00
De tijdelijke korting wordt automatisch in de winkelwagen verrekend
Tijdelijk
5%
korting
Miele DAH4970OBSW
3 vermogensstanden + booster
2 roestvrijstalen vetfilters
Elektronische besturing
€ 1699,00
De tijdelijke korting wordt automatisch in de winkelwagen verrekend
Tijdelijk
5%
korting
Miele DAH4980PEBE
3 vermogensstanden + 2 boosterstanden
2 roestvrijstalen vetfilters
SmartControl White
€ 1899,00
De tijdelijke korting wordt automatisch in de winkelwagen verrekend
Terug naar overzicht
Om volledige functionaliteit te bieden, heeft deze website jouw expliciete toestemming nodig om browsercookies op te slaan. Als je geen cookies toestaat, kun je bepaalde functies van de website mogelijk niet gebruiken.